¡¡¡¡¡¡¡¡¡¡¡¡¡¡¡¡¡¡¡¡¡¡ ¡¡¡¡¡¡¡¡¡¡¡¡¡¡CB(M)GϵÁÐÖи߉ºýX݆±Ã£¨ñRß_£©
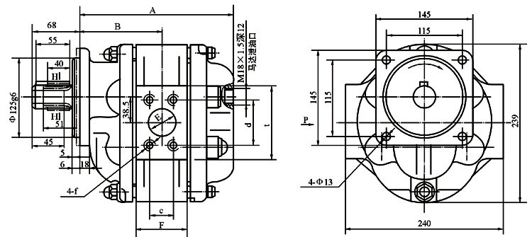
¡¡¡¡£¨1£©CBG3(CMG3)
°æ™à(qu¨¢n)ËùÓУºžoÖÝéL½Òº‰º¼þ³ÉÌ×Éú®a(ch¨£n)ÓÐÏÞ¹«Ë¾ µØÖ·£ºžoÖÝÊнꖅ^(q¨±)Üç²ÝÎ÷·Èý…^(q¨±)28Ì– ¾W(w¨£ng)Ö·£ºwww.m.fztxshop.com
ëŠÔ’£º0830-3580900 ‚÷Õæ£º0830-3586925 ÓÑô·þ„Õ(w¨´)ëŠÔ’£º0830-3589313
‚䰸̖£ºÊñICP‚ä10029769Ì–-2 ½y(t¨¯ng)Ò»Éç•þÐÅÓôú´a£º9151050275233023XD ¾W(w¨£ng)Õ¾½¨ÔO(sh¨¨)£ºžoÖݽð¾W(w¨£ng)